| 特性(Characteristic) | 參數(Parameter) | ||
編碼器類型 (Encoder type) | 1、光電編碼器 Optical encoder 2、磁編碼器 Magnetic encoder 3、旋轉變壓器Resolver 備注:多種分辨率可選,增量式、絕對值式可選。 Note: Multiple resolutions are available;Incremental and absolute values are available. | ||
徑向負載 (Max radial force ) | 115N@20mm from the flange |
環(huán)境條件 Environmental conditions | 使用環(huán)境溫度: -20℃~ +40℃; Temperature: -20℃~ +40℃ 使用環(huán)境濕度:≤90%RH(無凝露); Relative humidity: ≤90%RH(No dewing) 安裝環(huán)境:遠離腐蝕、可燃性氣體,油滴,灰塵, 海拔≤1000m(1000~4000m,降額使用); Installation environment: Far away active gas, Combustible gas, oil drop, ash. altitude≤1000m(1000~4000m,Derating use); 存儲環(huán)境:-20℃~ +60℃,≤85%RH(無凝露)。 Storage Condition: -20℃~ +60℃,≤85%RH(No dewing). |
軸向負載 (Max axial force ) | 45N | ||
絕緣等級 (Insulation Class) | B | ||
防護等級 (Protection level) | IP30 | ||
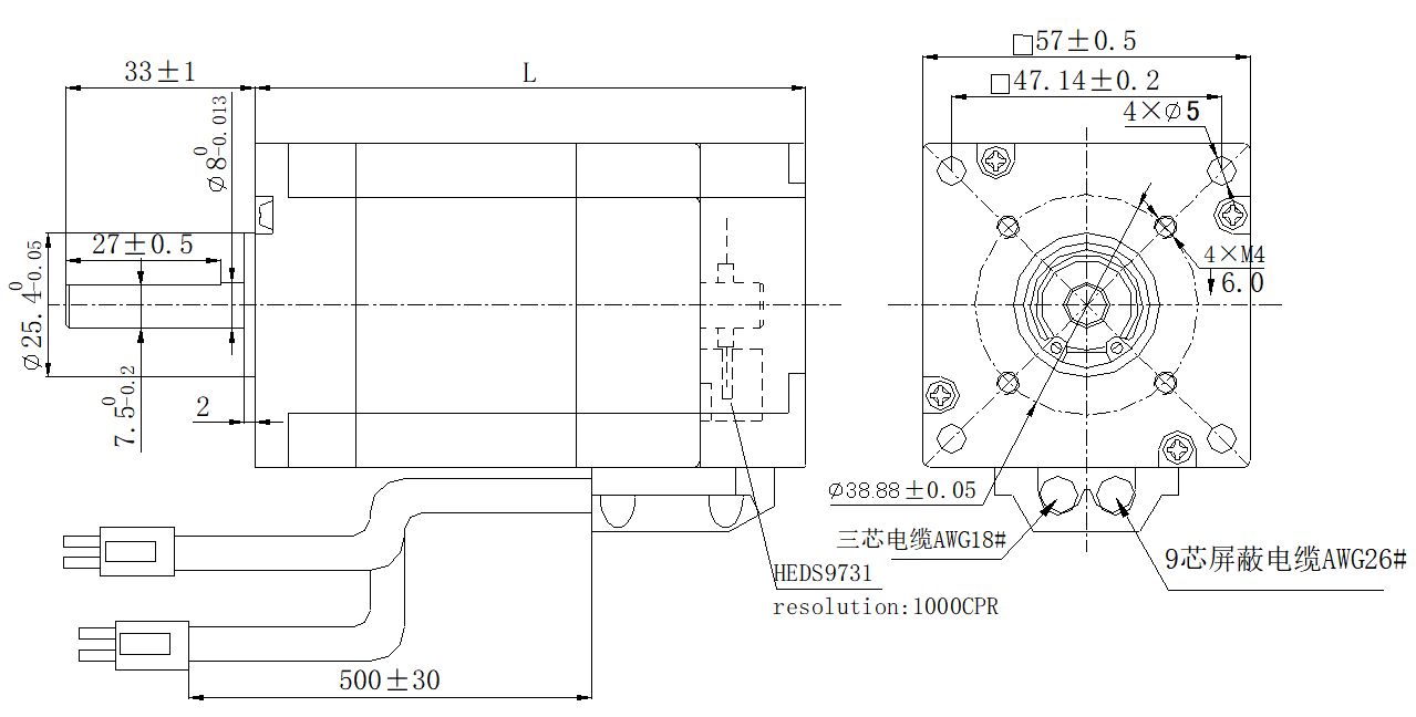
單位(Unit) | FL57SVA02 | FL57SVA03 | FL57SVA04 | |
額定電壓(Rated voltage) | VDC | 36 | 36 | 36 |
額定轉速(Rated speed) | RPM | 3000 | 3000 | 3000 |
額定轉矩(Rated torque) | N·m | 0.3 | 0.45 | 0.6 |
額定電流(Rated current) | A | 94 | 141 | 188 |
空載轉速(no load speed) | RPM | 4400 | 4400 | 4400 |
峰值轉矩(Peak torque) | N·m | 0.9 | 1.35 | 1.8 |
峰值電流(Peak current) | A | 12.6 | 16.2 | 22.5 |
電阻(Line to line resistance) | Ω | 1.2 | 0.8 | 0.5 |
電感(Line to line inductance) | mH | 1.2 | 0.8 | 0.6 |
反電勢系數(Back EMF) | V/Krpm | 5.6 | 5.6 | 5.7 |
轉矩系數(Torque constant) | Nm/A | 0.075 | 0.075 | 0.08 |
極數(Number of poles) | 8 | |||
編碼器(Encoder) | CPR | 1000 | ||
轉動慣量(Rotor inertia) | g.cm2 | 210 | 320 | 430 |
機身長度 (Motor length) L | mm | 76 | 96 | 116 |
重量(Weight) | Kg | 0.8 | 1.0 | 1.2 |
序號 No. | 引出線顏色 Lead Color | 引出線型號 Lead Gauge | 功能 Function | 說明 Description |
1 | 紅白色(Red/White) |
Cable AWG26 | GND | Signal Power negative |
2 | 紅色( Red) | VCC:+5VDC | Signal Power positive | |
3 | 藍色(Blue) | EA- | Two-channel differential signal (Three-channel differential signal can be provided). | |
4 | 藍黑色(Blue/Black) | EA+ | ||
5 | 黑色(Black) | EB- | ||
6 | 黑白色(Black/White) | EB+ | ||
7 | 棕色(Brown) | 霍爾HALL A | ||
8 | 橙色(Orange) | 霍爾HALL B | ||
9 | 黃色(Yellow) | 霍爾HALL C | ||
1 | 黃色(Yellow) | Cable AWG18 | U相(Phase U) | |
2 | 紅色(Red) | V相(Phase V) | ||
3 | 黑色(Black) | W相(Phase W) |
該款電機可以根據客戶需求定制。
The motor can be designed &manufactured with customized request.


Copyright 2023 版權所有 江蘇富興電機技術股份有限公司 蘇ICP備05002292號-1